- POSEBNA PONUDBA-AKCIJA
- DELI IN OPREMA ZA TRAKTORJE IN KULTIVATORJE
- Blažilniki
- Manšete
- Držala
- Ostale ročice in sklopke
- Ročaj za varovalo
- Ročaji in kapice
- Barvne kapice za ročke
- Kapice za ročke - barvni pokrovčki
- Kapica za ročko - barvni pokrovčki
- Okrogla kapica za ročko z notranjim navojem
- Kapica z notranjim navojem - ženska
- Kapica z navojem - moška
- Kapica z notranjim navojem
- Kapica za ročko
- Kapica za ročko črna
- Antivibracijski ročni ročaj
- Mali ploščati ročaj
- Ploščati ročaj
- Ročaj palice za zagon motorja
- Ročaj za sklopko krmiljenja za FIAT
- Ročni ročaj
- Ročica sklopke
- Ročke za plin
- Varnostna ročka za kmetijstvo
- Volanski obroči
- Žične vrvi
- DELI ZA KABINE
- Amortizerji
- Amortizerji za kabine Brieda
- Amortizerji za Case
- Amortizerji za Claas-a
- Amortizerji za CNH
- Amortizerji za Deutz-a
- Amortizerji za Fendt-a
- Amortizerji za Fiat-New Holand (Cnh)
- Amortizerji Goldoni
- Amortizerji za John Deere
- Amortizerji za Lamorghini
- Amortizerji za Landini
- Amortizerji za Massey Ferguson
- Amortizerji za Mauser
- Amortizerji za Same
- Amortizerji za Steyr
- Rezervni deli
- Maske za Fiat-New Holland
- Ogledala
- Ročaji, kljuke, ključavnice in zapirala
- Zaboji za shranjevanje
- Guma za kabine
- Amortizerji
- TRI-TOČKOVNA HIDRAVLIKA
- DELI ZA PRIKOLICE
- Vlečne kljuke
- Priklopi
- Nosilci kiper kesonov
- Set nosilcev za kiper kesone fi 60
- Set nosilcev za kiper kesone fi 75
- Set nosilcev za kiper kesone fi 78
- Deli nosilcev za kiper kesone fi 60
- Deli nosilcev za kiper kesone fi 78
- Nosileci kiper kesona viličast fi 18-22
- Nosileci kiper kesona viličast fi 20
- Nosilci kiper kesona viličasti fi 20 težja izvedba
- Nosilci kiper kesona viličasti fi 18-22 težja izve
- Zapirala
- Tečaji stranic
- Tečaji in zatiči S
- Tečaji in zatiči M
- Tečaji in zatiči L
- Tečaji in zatiči XL
- Ravni tečaji za stranice
- Dvostranski tečaji Roma
- Dolgi tečaji z dolgim nosilcem
- Dolgi tečaji z kratkim nosilcem
- Kratki tečaji s kratkim nosilcem
- Kratki tečaj z dolgim nosilcem
- Tečaji z dolgim pasom
- Zadnji tečaji fi 16
- Zadnji tečaji fi 20
- Tečaji v obliki plošče
- Ustavljalni mostiček s sornikom
- Primež
- Nagibne vilice
- Vlečne kljuke za avto prikolice
- Krogle za avto prikolice
- Zračne zavore
- Vitli
- Ročni vitel
- Ostalo
- PODPORNE NOGE
- Teleskopska navojna podporna noga
- Navojna podporna noga s stransko ročico
- Navojna podporna noga s kolesom
- Navojna podporna noga s kolesom - pregibna
- Navojna podporna noga s kolesom in vzmetjo
- Navojna podporna noga s kolesom za avtoprikolice
- Navojna podporna noga z cevnim priključkom
- Navojna podporna noga z pritrdilnim delom
- Navojna podporna noga - nastavljiva
- Hidravlična podporna noga - enosmerna
- Hidravlična podporna noga - dvosmerna
- OSOVINE IN POLOSOVINE ZA PRIKOLICO
- PNEVMATIKE IN PLATIŠČA
- SPOJKE IN CEVI ZA CISTERNE GNOJEVKE
- Cevi za cisterne gnojevke
- Cilindri
- Kolena
- Spojke za cisterne gnojevke
- Krogelni zglob
- Obroč za zglob
- Okrogla moška polspojka
- Ženska spojka - dvojno zapiralo
- Ženska spojka - trojno zapiralo
- Sklopka za zglob
- Sklopka za zglob dvojno zapiralo
- Sklopka za zglob trojno zapiralo
- Gumijasto tesnilo za zglob
- Krogelna ženska spojka z navojem
- Pocinkana moška sklopka z ravno zožitvijo
- Stopalni ventil z nastavkom
- Razni priključki in deli
- Navojni priključek
- Krogelni moški priključek z navojem
- Pocinkan moški čep
- Pocinkana krogelna prirobnica
- Pocinkan priključek s sponko za zmanjšanje
- Pocinkan priključek s sponko za povečanje
- Pocinkan t priključek
- Pocinkan bočni priključek
- Surovi gladki stožec
- Pocinkana kvadratna prirobnica z navojem
- Pocinkana zapiralna prirobnica
- Varnostno tesnilo za sklopko
- Odpiralne lopute
- Lopute za zapiranje
- Ventili
- Lamele
- Ostalo
- KONČNIKI IN ZGLOBI
- LEŽAJI
- Ležaj ucp
- Ležaj ucf
- Ležaj ucfc
- Ležaj ucfl
- Ležaj ucpa
- Ležaj uc
- Kroglični ležaj z utori
- Ležaj z utori
- Kroglični aksialni ležaj
- Ležaj z odprtimi robovi
- Radialni sferični ležaj
- Stožčasti valjčni ležaj
- Kroglični aksialni ležaj - fag
- Ležaj ucp - fag
- Ležaj ucf - fag
- Ležaj ucfc - fag
- Ležaj ucfl - fag
- Ležaj ucpa - fag
- Ležaj uc - fag
- Kroglični ležaj z utori 2rs - fag
- Radialni ležaj z utori 2z - fag
- Kroglični ležaj z odprtimi robovi - fag
- Stožčasti valjčni ležaj - fag
- Oljna tesnila tip ba
- Oljno tesnilo tip basl
- JERMENI
- PLETENICE IN DELI
- LUČI
- KARDANI IN KARDANSKI DODATKI
- ECO kardan
- Kardanske gredi
- Kardanske gredi dolžine 600mm
- Kardanske gredi dolžine 700mm
- Kardanske gredi dolžine 800mm
- Kardanske gredi dolžine 900mm
- Kardanske gredi dolžine 1000mm
- Kardanske gredi dolžine 1200mm
- Kardanske gredi dolžine 1300mm
- Kardanske gredi dolžine 1400mm
- Kardanske gredi dolžine 1500mm
- Kardanske gredi dolžine 1800mm
- Kardanske gredi dolžine 2000mm
- Profila YORK 1" 3/4 Z6 - 1" 3/8 Z6
- Profila YORK 1
- Profila YORK 1
- Brez vilic dolžine 560mm
- Brez vilic dolžine 760mm
- Kardanski nastavki
- Kardanski nastavki
- Kardanski nastavki - luknja
- Kardanski nastavki z zatičem
- Kardanski nastavki z zapornim vijakom
- Kardanski nastavek 1'' 3/8 z luknjo brez reže
- Kardanski nastavki - standard
- Kardanski nastavki s prirobnico
- Kardanski nastavki-obojestranski
- Ženski kardanski nastavek s prirobnico
- Moško-ženski
- Moško-ženski smer desno
- Moško-ženski smer levo
- Kardanske puše
- Kardanski križi
- Kardanske cevi in palice
- Kardanske sklopke
- Kardanski zglobi
- Varovalne kardanske gredi
- Nadomestni deli za kardanske gredi
- Deli za kardane modela YORK
- Dvojne vilice
- Kardanski zglobi
- Kardanski zglobi 1 3/8 Z6 za notranjo cev
- Kardanski zglobi 1 3/8 Z6 za zunanjo cev
- Kardanski zglobi 21 UNI 221 za notranjo cev
- Kardanski zglobi 21 UNI 221 za zunanjo cev
- Križi za industrijsko kmetijstvo
- Lamelna sklopka Walterscheid
- Moški kardanski nastavki s prirobnico
- Ožljebljene vilice
- Prostekoča sklopka Walterscheid
- Prostotekoče vlice
- Sklopka z zatičem Walterscheid
- Strižna sklopka Walterscheid
- Vilice s prirobnico
- Vilice s strižno sklopko
- Vilice z odprtino
- Vilice z omejevalnim zatičem
- Vilice z racepko
- Vilice z utrom in navojno luknjo
- Vilice z utrom in razcepko
- Vilice z utrom in vijakom
- Vilice z vijakom
- Vilice z zatičem
- Vilice z zatičem za trikotni profil
- Vilice za hitri prikop
- Vilice za kardane serije W
- Vilice za notranjo cev
- Vilice za notranjo cev trikotnega profila
- Vilice za rebrasto cev
- Vilice za zunanjo cev trikotnega profila
- Walterscheid - serije W
- Za traktorje PASQUALI
- Zagozdna gred in dodatki
- Kardanski nastavki za kultivatorje
- Sestav kardanskega zgloba
- Zaščita za kardanske gredi
- Dodatki
- NOVO
- ZAŠČITNA OBLEKA IN SREDSTVA
- VRTNARSTVO IN ORODJE
- SPREJI, MAZIVA, OLJA, LEPILA, ČISTILA
- DELI ZA MULČERJA in BRANE
- kladivo mulčerja
- kladivo mulčerja - luknja fi 12,5 in 13
- kladivo mulčerja - luknja fi 14,5
- kladivo mulčerja - luknja fi 16,5
- kladivo mulčerja - luknja fi 18,5
- kladivo mulčerja - luknja fi 19,5
- kladivo mulčerja - luknja fi 20,5
- kladivo mulčerja - luknja fi 22,5
- kladivo mulčerja - luknja fi 25,5
- kladivo mulčerja - luknja fi 26
- kladivo mulčerja - luknja fi 30,5, 31 in 36
- nož mulčerja
- ACMA
- AGRAM
- AGRICOM
- AGRIMASTER
- AGROTEC
- ASSALONI
- BCS
- BECCHIO-BERFRALK
- BERTI
- BOMFORD-TURNER
- BREVIGLIERI
- BRUNI
- CABE - COMAGRI
- CALDERONI
- CARONI
- CELLI
- COSMA
- DRAGONE
- ENERGREN BY LASERJET
- FALC
- FALCONERO
- FAUSTINI
- FERRI
- FORIGO-ROTERITALIA
- FRONTONI
- GL 1
- GREENTECH
- HMF FREI
- HYMACH
- KUHN
- KVERNELAND -MALETI
- MASCHIO
- MEEAT-MEARELLI
- MORIS
- MURATORI
- NICOLAS
- NOBILI
- NOREMAT
- OMARV
- ORSI
- PALLADINO
- PEGORARO
- PERUGINI
- PERUZZO
- PRE.FER.
- PROCOMAS
- QUIVOGNE
- RINIERI
- vijaki za kladiva
- Noži za vrtavkasto brano
- kladivo mulčerja
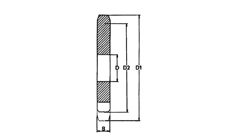
JEKLENI VERIŽNIK 100 - 4 ZOBI
ŠIFRA: 62920
Šifra:
62920
Stara cena z DDV:
62,40 €
Stopnja davka
22 %
Popust:
10 % ( 6,24 € )
AKCIJA
56,16 €
Najnižja cena v 30 dneh
62,40 €
Število zob: 4
D: 40
D1: 156
D2: 131
S: 24
Teža: 1,5 kg
Sorodni izdelki
-20%
ŠIFRA: 61230
Stara cena z DDV:
240,70 €
Akcijska cena z DDV:
192,56 €
Najnižja cena v 30 dneh
240,70 €
-10%
ŠIFRA: 62655
Stara cena z DDV:
69,50 €
Akcijska cena z DDV:
62,55 €
Najnižja cena v 30 dneh
69,50 €
-10%
ŠIFRA: 62921
Stara cena z DDV:
62,10 €
Akcijska cena z DDV:
55,89 €
Najnižja cena v 30 dneh
62,10 €







